



Приветствую моего дорогого постоянного читателя! Эта статья посвящена рассказу о том, что представляет трехходовой клапан с электроприводом — вид трубопроводной арматуры, позволяющий смешивать или разделять два потока среды и регулировать параметры этого смешения с помощью электропривода и автоматики.
Мир вокруг нас стремится до минимума уменьшить нагрузку на человека и даже его присутствие при производственных процессах, и автоматические системы управления производством и инженерными системами зданий требуют применения современного автоматического оборудования.
Назначение трехходового клапана
Трехходовой клапан внешне похож на латунный или чугунный тройник, но имеет другое предназначение и конструкцию. Функция устройства — разделение или смешивание потоков воды из двух контуров отопления, а также переключение потока между двумя контурами. На этом основывается основная классификация трехходовых клапанов:
- разделительные;
- смесительные;
- переключающие.
Трехходовой клапан разделительный предназначен для изменения количественного изменения гидравлических показателей в системе. Например, если это квартира в многоэтажном доме, то у собственников нет возможности регулировать температуру радиаторов в комнатах, поскольку источник тепла — нагревательный котел — находится вне зоны доступа.
В этом случае помогает установка трехходового клапана, который позволяет изменять не качественные параметры (температуру воды на выходе), а количественные параметры путем изменения объема горячей воды, поступающей из общего стояка в квартиру.
Смесительный трехходовой клапан объединяет два потока воды в один и также регулирует температуру теплоносителя, но уже по другому принципу. Клапан подключен к подающему и отводящему патрубкам замкнутой системы. На один поступает нагретая вода из бойлера, во второй — уже остывший теплоноситель, сделавший круг по системе. Смешивая два потока в один, клапан регулирует температуру воды в рамках установленного предела. Жидкость по достижению нужных значений поступает во второй контур (например, в теплый пол).
Переключающие трехходовые клапаны позволяют изменять направление потока воды в системе. Например, в частном доме, где установлен теплый пол, всегда возникает необходимость на время отключить один из контуров. Например, при потеплении можно уже обойтись без радиаторов отопления, но без подогрева пола в доме все еще некомфортно. За счет переключающего клапана можно не перезапускать бойлер, а просто переключить систему на любой из контуров.
Внимание! Трехходовые клапаны по способу регулировки делятся на ручные и автоматические. Вторая категория устройств оснащена электроприводом, который позволяет устанавливать и поддерживать заданные параметры системы автоматически.



Трехходовые клапаны для отопления с фиксированной температурой теплоносителя
Это так называемый бюджетный вариант. По цене он дешевле 30-35% от приборов с приводами. Чем он отличается от всех остальных. В его конструкции нет ни штоков, ни датчиков, ни термоголовок. Внутри установлен так называемый термостатический элемент, который настроен на определенную температуру теплоносителя. К примеру, это может быть или +45°С, или +65°С. То есть, показатель может быть любым в зависимости от требований потребителя горячей воды.
Элемент выбирают на заводе и там же устанавливают, поэтому на клапане обязательно указывают, какая температура на выходе будет после него. К примеру, если вам требуется клапан для теплого пола, то выбираем с температурой +45°С. Положительной стороной этих приборов является их дешевизна. Отрицательной – невозможность настраивать температурный режим воды.
Внимание! Если клапан этого типа устанавливается на байпас твердотопливного котла, то необходимо перед покупкой изучить паспорт самого генератора. Основной показатель для клапана – температура воды в обратном контуре. Именно по ней и подбирается прибор.
Термостатическая модель
Особенности конструкции клапана с электроприводом
Конструкция клапана с электроприводом у разделительных, смешивающих и переключающих моделей отличается. Все виды регулирующей арматуры имеют металлический корпус, который внутри разделен на три части, между которыми располагается регулирующее устройство — шток. Именно по его форме и принципу действия различаются конструкция трехходового клапана.
Электропривод — деталь, объединяющая все три типа трехходовых клапанов. При помощи встроенного привода с контроллером осуществляется автоматическая регулировка температуры воды за счет реагирования устройства на изменения температуры воды. Электропривод, который еще называют сервоприводом — это двигатель, но он не вращается вокруг своей оси, как обычные приборы, а делает поворот в ограниченном радиусе.
Внимание! Внешне трехходовой клапан с электроприводом можно узнать по наличию поворотного рычага из пластика, на котором находится метка для обозначения скалярной величины.








Принцип работы и устройство
Трехходовые клапаны всегда имеют три патрубка для подключения. Принцип действия смесительной арматуры с электроприводом — смешивать две среды в одну с заданными параметрами (нужной температурой, нужным химическим составом газа или жидкости). Принцип действия разделительной арматуры — перераспределять поток среды на два выхода.
В любом случае клапан имеет:
- Корпус с седлом.
- Регулирующий элемент (плунжер на штоке, двигающийся в вертикальном направлении).
- Уплотнители.
При опускании-поднимании плунжер частично или полностью перекрывает просвет арматуры и регулирует поток среды (распределяет между двумя выходами).
Сейчас все чаще и чаще в быту трехходовыми клапанами называют и устройства на основе крана — у него рабочий орган имеет форму шара, сегмента, конуса или цилиндра, для регулировки рабочий орган поворачивается вокруг своей оси. Результат у обоих видов трехходовой арматуры одинаковый, поэтому в дальнейшем в статье я буду для простоты называть такую арматуру с электроприводом словом клапан (или вентиль).
Принцип действия
Сервопривод получает сигнал с контроллера, который настроен на определенный температурный диапазон воды. Контроллер воспринимает и реагирует на изменения температуры, посылая сигнал на сервопривод, который делает поворот и заставляет двигаться шток. Последний, в свою очередь, открывает и/или закрывает поток одного из контуров.
У смешивающих клапанов шток состоит из двух плоских дисков круглого сечения или одной сферы со сквозным отверстием. Запорный элемент разделяет устройство на два патрубка, соответствующих контурам отопления. Регулирование происходит за счет движения штока, который может подниматься/опускаться либо делать неполный оборот вокруг своей оси, перекрывая один и открывая другой патрубок.
Работа разделительных клапанов происходит практически по тому же принципу, что и у смешивающих, но в нем два потока разделяются между собой качественный и количественный потоки. Качественный — это поток с постоянными гидравлическими и температурными показателями, которые регулируются непосредственно водонагревательным устройством. Они необходимы для поддержания стабильной работы основного контура (например, системы отопления). Количественный поток регулируется основывается на увеличении или уменьшении подачи воды за счет движения штока, например, в системе “теплый пол”.
Преимущества
Ключевое преимущество устройств с электроприводом — автономность. Привод можно отрегулировать один раз, указав необходимую температуру на обоих контурах, после чего прибор будет сам контролировать параметры работы системы, увеличивая или уменьшая приток горячей воды в систему. При этом датчик температуры может иметь более широкие настройки и реагировать на изменения показателя окружающей среды. Например, если на улице потеплеет, терморегулятор снижает температуру воды в контуре “теплого пола” или в радиаторах отопления.
Есть и другие преимущества:
- автоматические устройства позволяют избежать перегрева теплоносителя в системе и предотвратить перерасход топлива;
- трехходовые клапаны решают проблему отвода конденсата во время запуска твердотопливного котла;
- при помощи устройства можно подключить к одному котлу контуры системы горячего водоснабжения и отопления.
Современные инженерные системы в частных домах и на предприятиях работают на одном источнике тепла, который нагревает воду и для отопления, и для ГВС.
Обратите внимание! Чтобы сэкономить на энергоносителе и повысить эффективность системы, желательно купить конденсационный котел, который использует не только тепло сгорания топлива, но и энергию горячего конденсата. На его основе можно сделать двухконтурную систему отопления и ГВС.
Правила монтажа и эксплуатации
В трубопроводы и радиаторы трехходовые клапаны разделительного типа с электроприводом устанавливаются при помощи накидных гаек-американок с уплотнениями.
Термовентили (неважно, с электроприводом или без) устанавливаются очень просто:
- Монтируются в отверстие в пробке верхнего отверстия радиатора.
- К одному выходному патрубку подсоединяется байпас, к другому — подвод теплоносителя.
Подключение трехходового вентиля смесительного типа с электроприводом в систему теплого пола производится в коллекторном шкафу. К одному вводному патрубку подключается подача горячего теплоносителя от котла, к другому — прохладная обратка. На выходной патрубок и далее на насос при помощи электропривода подается теплая вода (45 °С) для трубопровода теплого пола.
В схеме обвязки твердотопливного котла также в обязательном порядке устанавливаются трехходовые клапаны разделительного типа с электроприводом. В момент включения котла теплая вода из трубопровода подачи через байпас направляется в котел — это предохраняет камеру котла от выпадения конденсата.
По мере прогревания воды до 50-60 °C клапан постепенно подмешивает к воде, поступающей в котел, холодную воду из обратки. После полного прогрева системы клапан переключает на подачу в котел воды из обратки (температурой не ниже 50 °С). При более сильном охлаждении воды в обратке клапан опять включается электроприводом и подмешивает горячую воду в обратку.
Допускать попадания холодной воды в камеру сгорания котла нельзя! В таких схемах обязательно используют клапаны с приводом.
Частые ошибки и проблемы при установке
Самая частая ошибка при установке — подсоединение трубопроводов не к тем патрубкам. Например:
- Подсоединение байпаса на вводной патрубок при подключении термовентиля к батарее.
- Расположение клапана не в соответствии со стрелками, указывающими ток воды.
Обычно такие ошибки при подключении происходят при неправильном выборе типа или формы вентиля с электроприводом.

Советы специалистов
Термовентили с электроприводом не стоит устанавливать на чугунные радиаторы — у них очень большая тепловая инерция, практически регулировка таких радиаторов бессмысленна. Проще в случае перегрева прикрутить обычный кран на вводе теплоносителя в радиатор.
Достаточно неэффективна установка термовентилей при однотрубной системе отопления и в многоэтажных домах (у нас не топят до жары, а если бывает, проще временно накрыть батарею одеялом или картоном).
Зато подключение труб теплого пола без трехходового клапана может привести к очень неприятным последствиям — перегреву системы и конструкций пола (в отдельных случаях — даже к растрескиванию стяжки).
Еще более неприятные последствия при отсутствии клапана с электроприводом в системе обвязки твердотопливного котла. Попадание холодной воды из обратки в камеру сгорания твердотопливного котла приведет к выпадению конденсата на теплообменнике и стенках котла и в итоге быстро выведет котел из строя.





Что такое трехходовой клапан и зачем он нужен?
Из названия трехходового клапана понятно, что он имеет три резьбовых или фланцевых соединения. Существуют два вида таких клапанов:
- Термосмесительные — применяются для организации подмеса холодного теплоносителя из «обратки» к горячему теплоносителю «подачи». Используется это в водяных теплых полах, тепловых узлах зданий и для защиты теплообменников котлов. Такие «трехходовики» отличаются по диаметру резьбового соединения и диапазону регулировки температуры.
- Переключатели потока — они изменяют направление течения теплоносителя, а точнее сказать они меняют контур, по которому он протекает. Так, например, переключатели потока широко используются для подключения бойлеров косвенного нагрева к отопительным котлам. В такой схеме трехходовой клапан через сервопривод подключен к термостату бойлера и при достижении пороговой температуры происходит переключение клапана и включение загрузочного насоса. После этого горячий теплоноситель начинает течь через теплообменник бойлера и нагревать воду внутри него.
Если вам интересно, то есть отдельная статья о бойлерах косвенного нагрева и схемах его подключения. Читайте и расширяйте свой кругозор.
Внутреннее устройство трехходовых клапанов.
Теперь давайте рассмотрим техническое устройство трехходовых клапанов. Начнем по порядку с устройства термосмесительного клапана. Для того, чтобы иметь наглядное представление о его внутреннем строении, посмотрите на следующий рисунок:
- Маховичок клапана.
- Вход горячей воды.
- Термочувствительный элемент.
- Выход смешанной воды.
- Вход холодной воды.
Термочувствительный элемент расширяется или сжимается в зависимости от температуры. Это позволяет выдерживать определенную температуру на выходе подмеса (4). Колебания температуры обычно лежат в пределах двух или трех градусов в зависимости от разности давлений горячей и холодной воды. Наличие в термосмесительном клапане накипи также уменьшает точность его регулировки. Температура воды на выходе клапана может быть задана жестко при изготовлении клапана, либо может изменяться в некоторых пределах. Делается это при помощи вращения регулировочного колеса.
Теперь перейдем к рассмотрению другого вида клапанов — переключателей направления потока. Собственно, такие клапаны могут работать и как смесительные, но управляются они при помощи ручной настройки или сервопривода. Для большей наглядности смотрите рисунок ниже:
По сути своей такой клапан — шаровой кран, у которого отверстия в шаре не находятся на одной линии, а сделаны под прямым углом друг к другу. Для полного переключения потока необходим поворот шара на 90°. Давайте посмотрим вид такого клапана сверху:
Угловая шкала указывает на то в каком положении находится шар внутри клапана. Как я уже говорил, чаще всего такие клапана используют для подключения бойлера косвенного нагрева к котлу. Схема подключения будет выглядеть следующим образом:
В этой схеме теплоноситель будет циркулировать либо через теплообменник бойлера, либо через радиаторы отопления. Сервопривод клапана будет управляться термостатом бойлера. Теперь давайте поговорим о наиболее важных технических характеристиках таких клапанов:
- Диаметр подключения — диаметр резьбы в дюймах.
- Рабочая температура — температура теплоносителя, при которой клапан отработает весь срок эксплуатации.
- Материал корпуса и уплотнений — чаще всего, такие клапаны изготавливаются из латуни, а в качестве уплотнений может быть использован эластомер (резина) типа EPDM.
- Номинальный поток — измеряется в кубических метрах за час и определяет предел пропускной способности клапана. Номинальный поток прямо пропорционален диаметру подключения клапана.
- Рабочая среда — этот параметр определяет то, в какой среде может работать данный узел. Например, это может быть только вода, либо растворы гликолей (антифризов для отопления).
Давайте двигаться дальше, следующая остановка — сервопривод!
Виды
По принципу действия трехходовые клапаны подразделяются на:
- Разделительные.
- Смесительные (см. на фото).
Смесительные — смешивают две среды в определенной пропорции (например, горячую и холодную воду). Имеют два патрубка для подвода сред и один патрубок — для выхода. Применение в быту — для регулирования температуры среды в системах теплого пола. Для пола очень важно не допустить попадания слишком горячего теплоносителя в трубы и перегрев пола. Обычно трехходовой вариант устанавливается в коллекторном узле, получает информацию от нескольких датчиков, работает в автоматическом режиме от электропривода.
Разделительные (или распределительные) — имеют один вход среды и два выхода. Регулирующий элемент обычно не перекрывает ток теплоносителя, как двухходовой вентиль, а полностью или частично перераспределяет его между двумя выводами.
В быту это обычно термовентили на радиаторах и клапаны с электроприводом в обвязке котла отопления, в теплообменниках в системах вентиляции и кондиционирования. В любой системе с нагревательным прибором в обязательном порядке устанавливается байпас и трехходовой вентиль (при применении газовых котлов эти составляющие вмонтированы в котел).
При поступлении слишком горячей воды терморегулятор срабатывает от электропривода, часть воды подается на байпас — мимо радиатора. При установке за котлом часть воды подается на байпас и через обратку поступает в котел, терморегулятор при поступлении из обратки горячей воды отключает котел или снижает температуру нагрева.
По способу приведения в действие трехходовые клапаны подразделяются на:
- Ручные.
- Автоматические.
Трехходовые автоматические в свою очередь подразделяются на:
- Термостатические — срабатывают от повышения давления при увеличении температуры. Это самый простой и недорогой тип термовентилей, его чаще используют для радиаторов.
- С термоголовкой — на клапане имеется датчик температуры.
- С электрическим приводом (поворот производится при помощи электродвигателя).
Привод может быть выполнен на основе соленоида (магнита) или электродвигателя:
- С механической передачей (сервоприводом).
- С пневматическим или гидроприводом (применяются на производстве в системах с большими давлениями).
Маркировка клапанов
На трехходовом клапане можно увидеть цифры и буквы. Сначала пишется название фирмы. Затем — серия и номер модели (в примере VTA 321). Затем условный диаметр в мм, например, DN 20. Затем температурный режим, например 20-43С — режим от 20 до 43 °С. Затем пропускная способность в кубах — KVS 1,6 — 1,6 м³/час. Для примера: полностью маркировка клапана с электроприводом фирмы ESBE выглядит следующим образом:
ESBE VTA 321 DN 20 20-43C, kvs 1,6
Типоразмеры ходовых вентилей (и с электроприводом, и без): ½», ¾», 1″, 1¼» и так далее.
Срок службы
Срок службы запорной арматуры во многом зависит от режима работы (частоты срабатываний) и качества терморегулятора. В любом случае можно рассчитывать лет на пять, но при редком срабатывании трехходовой вентиль может проработать и больше. В первую очередь выходят из строя терморегулятор или электропривод, сам клапан может прослужить 10 лет и больше.
Как это работает
Трехходовой клапан монтируется на тех участках магистралей, где требуется разделить поток циркулирующей жидкости на 2 контура:
- с переменным гидрорежимом;
- с постоянным.
В большинстве случаев постоянный поток требуется тем, для кого подается жидкость высокого качества и в обозначенных объемах. Его регулируют в соответствии как раз с показателями качества. Что же касается переменного потока, то он применяется для объектов, где показатели качества не являются основными. Там большое значение имеет коэффициент количества. Проще говоря, подача теплоносителя там осуществляется по необходимому количеству.
Обратите внимание! К запорной арматуре относится и аналог описываемого в статье прибора – двухходовой клапан. Чем он отличается? Дело в том, что трехходовой вариант работает по совершенно другому принципу. Шток, входящий в его конструкцию, неспособен перекрывать поток жидкости, который имеет постоянные гидравлические показатели.
Шток все время открыт, он настраивается на тот или иной объем жидкости. Следовательно, пользователи смогут получить нужный им объем как в плане количества, так и в плане качества. В целом, данный прибор неспособен прекратить подачу жидкости на сеть, в которой гидравлический поток постоянен. При этом поток переменного типа он вполне может и перекрыть, благодаря чему, собственно, и возникает возможность регулировки расхода/давления.
И если соединить пару устройств двухходового типа, то можно получить один, но трехходовой. Но нужно, чтобы оба работали на реверсе, другими словами, при закрытии одного клапана должен открываться следующий.
Видео – Трехходовой клапан принцип работы

Преимущества и недостатки
Преимущества и достоинства трехходовых клапанов:
- Простая надежная конструкция обеспечивает долговечность.
- Высокая герметичность (возможность применения для газо- и пневмопроводов, особенно важно это свойство при использовании в химической промышленности).
- Большой диапазон рабочих давлений и температур — от вакуума до 250 Мпа, от -200 до +600 °C.
- Медленный износ уплотнительных элементов урежает необходимость ремонтов.
- Простое обслуживание и ремонт.
- Относительно компактные габариты (например, по сравнению с задвижкой).
Недостатки трехходовых изделий:
- Высокое гидравлическое сопротивление трехходовых конструкций.
- Конструкция корпуса обуславливает наличие застойных зон, которые могут служить местом скопления мусора, окалины, примесей.
- Сложность регулировки потока среды при ручном управлении, впрочем, конструкции с ручным управлением постепенно уходят в прошлое. Уступая место электроприводу.
Классификация клапанов
Без длительных введений отметим, что устройство может быть двух типов по принципу функционирования. Оно может быть:
Особенности действия каждого типа ясны уже из их названия. Смесительное устройство состоит из двух выходов и входа. Другими словами, оно необходимо для смешивания потоков жидкости, что может потребоваться в целях снижения ее температуры. К слову, это наиболее оптимальный вариант для того, чтобы задавать нужный режим в «теплом полу».
Сама процедура регулировки температурного режима предельно проста. Нужно лишь знать о текущих показателях температуры входящих потоков жидкости, с точностью просчитать требуемые пропорции каждого из них так, чтобы на выходе получить нужные показатели. Кстати, данное устройство при условии грамотного монтажа и регулировки способно функционировать и на разделение потока.
А вот разделительный клапан разделяет один поток надвое, следовательно, он оснащен одним входом и двумя выходами. Данное устройство применяется преимущественно для того, чтобы разделять поток горячей воды в системах ГВС. Хотя достаточно часто он встречается и в обвязке воздухонагревателей.
Внешне оба варианта практически идентичны. Но если ознакомиться с их чертежом в разрезе, то их основное отличие видно сразу. Шток, который установлен в устройстве смесительного типа, имеет один шаровой кран. Он располагается по центру и перекрывает основной проход.
Что же касается разделительных приборов, то в них шток имеет два таких клапана, которые устанавливаются на выходах. Они функционируют по следующему принципу: один из них придавливается к седлу, закрывая проход, а другой параллельно с этим открывает проход №2.
По методу управления современные модели могут быть:
В большинстве случаев используется ручной прибор, который внешне напоминает обыкновенный шаровой кран, но оснащен тремя выходными патрубками. А вот электрические модели, имеющие автоматическое управление, применяются преимущественно в частных домах, а именно для того, чтобы распределять тепло. Например, пользователь может настроить температурный режим по комнатам, а рабочая жидкость будет поступать в соответствии с удаленностью комнаты от отопительного прибора. Как вариант – можно совместить его с «теплым полом».
Видео – Прибор в бойлерной группе
Трехходовые клапаны, равно как другие приборы, определяются в соответствии с давлением в системе и диаметром подвода. Все это регламентируется ГОСТом. И если требования последнего не будут соблюдаться, это будет расценено как грубое нарушение, в особенности, если речь идет о показателе давления в магистрали.
Выбираем трехходовой клапан: особенности моделей разных фирм
Чтобы выбрать подходящий клапан, необходимо сравнить все характеристики разных моделей, а именно тип исполнительного механизма, тип привода, наличие и вид терморегулятора, а также производителя и цену трехходового крана для отопления. Стоит обратить внимание на модели от ведущих производителей.
Трехходовые клапаны Esbe: инструкции по установке и особенности
Среди основных преимуществ моделей фирмы Esbe – простота и доступная стоимость.
Трехходовой клапан для отопления производства фирмы Esbe
Полезный совет! Если вам требуется регулировка крана, откажитесь от простых моделей, главный недостаток которых в отсутствии возможности стабилизировать температурный режим на выходе.
При монтаже клапана следует учесть ряд особенностей:
- Смесительный узел позволяет создать дополнительный контур в системе, соединенный с распределительным коллектором двумя точками, что гарантирует беспрерывную циркуляцию воды на выходе.
- На входе поток обеспечивается в случае потребности в дополнительном тепле.
- Клапан с термостатом присоединяют к смесительному узлу.
- Для увеличения расхода насосного оборудования, которое часто недостаточно из-за узкости клапанов, сходящихся в одной точке, требуется создание дополнительной линии, снижающей электропотребление насосом. Однако, такие меры актуальны не для всех моделей Esbee.
- В случае потребности во второй линии предполагается установка балансировочного крана или же подключение насоса к этой дополнительной линии, что приводит к уравниванию температур входного и выходного потоков.
Клапан фирмы Esbe интегрированный в систему отопления
Трехходовые клапаны Навьен: особенности и преимущества
Фирма Navien специализируется на производстве отопительных котлов. Трехходовые клапаны данного оборудования предназначены для смены приоритетов между нагревом воды для водоснабжения и отопительной системой. Данные клапаны стоит покупать при наличии оборудования Navien, ведь комплектующие и техника одного производителя – залог долгой и эффективной работы системы.
Трехходовые клапаны Danfoss: особенности и преимущества
Клапаны производства фирмы Danfoss применяются в системах отопления и водоснабжения. Среди преимуществ данного типа оборудования:
- устойчивость и точность регулировки;
- идеальная сочетаемость с другими термостатическими элементами фирмы Danfoss;
- надежность и долгий срок службы без потери эксплуатационных характеристик;
- простота в монтаже, обслуживании и эксплуатации;
- целиком автоматическая работа;
- возможность установки на трубопроводе в любом положении, кроме как клапаном вниз.
Трехходовой клапан фирмы Danfoss
Внимательно изучив технические характеристики и советы по выбору трехходового клапана для систем отопления, можно подобрать подходящее устройство под определенное помещение и условия эксплуатации.
Сферы применения
Трехходовой клапан, принцип работы которого был рассмотрен выше, обладает достаточно широкой сферой применения. Так, такие его разновидности, как электромагнитное устройство или же прибор с термоголовкой, часто встречаются в современных магистралях, где требуется корректировка пропорций при смешивании двух разделенных потоков жидкости, но без снижения мощности или объема.
Что же касается использования в быту, то самым популярным здесь считается термостатический смесительный прибор, с помощью которого, как уже отмечалось выше, можно регулировать температуру рабочей жидкости. Эта жидкость может подаваться как в трубопровод «теплого пола», так и в отопительные радиаторы. А если клапан еще и имеет автоматическое управление, то контролировать температуру в жилище можно будет без каких-либо проблем!
Обратите внимание! Применение трехходового клапана в отопительной системе в целях уравновешивания перепадов температуры крайне выгодно не только в плане комфорта и удобства, но и в плане экономии средств.
Дело в том, что путем регулирования температуры жидкости на «обратке» отопительного прибора можно значительно снизить объемы потребляемого топлива, да и на эффективности самой системы это отразится позитивно. В некоторых системах клапан попросту необходим. Например, в системе «теплого пола» данное устройство предотвращает перегрев напольного покрытия выше заданного уровня комфортности, тем самым избавляя пользователей от неприятных ощущений.
Подобного рода регулирующие устройства также используются в системах водоподачи в целях получения перманентного потока с требуемой температурой. Простейшим примером является обыкновенный смеситель, при котором можно сделать воду горячее/прохладнее открытием/закрытием холодного крана.
Предохранительный клапан для бойлера
Ранее мы описывали как выбрать и подключить предохранительный клапан для бойлера, рассказывали о сферах его применения и внутреннем устройстве. В дополнение к этой статье рекомендуем ознакомится: все подробности тут
Принцип работы клапана в системе отопления
Поток приходит в устройство слева. Он постепенно нагревается, с какого-то момента начинается расширение специальной жидкости в термоголовке. Что, в конечном счёте, приводит к опусканию штока с открыванием патрубка внизу для менее горячей воды из обратной линии отопления. Она смешивается с горячей водой приточки. На тёплые полы уже идёт менее горячий поток. Термоэлемент сжимается, шток опускается.
Пока теплоноситель нагревается, шток продолжает опускаться. Может опуститься до самого низа, прекратив поступление горячей воды, максимально открыв патрубок с тёплой. Это продолжится до момента охлаждения теплоносителя до необходимого уровня. Тогда откроется верхний клапан и опять пойдёт горячая вода из приточки.
Предназначение устройства
Даже при точном тепловом расчёте при проектировании домов микрорайона в квартире может появляться избыток тепла за счёт внешних факторов: жаркого солнца, сильного ветра, купленных хозяевами бытовых приборов, выделяющих тепло. Нет возможности для отдельных квартир уменьшить температуру теплоносителя, так как у простых котлов слабым местом является теплообменник, не выдерживающий низкую температуру. Нужен другой тип котла – конденсационный, но он существенно дороже. При наличии простого котла можно уменьшить количество горячей воды к радиатору.
Для чего и предусмотрен в подключение трехходовой клапан отопления.
Конкретные случаи использования трёхходового клапана:
- Обогрев полов (тёплые полы). На два входа клапана подаётся соответственно обратка и подача. Через выход идёт перемешанный (охлаждённый) поток. На остальном контуре это никак не отражается.
- Поддержание температуры в обратке. Котёл работает нормально, пока вода, приходящая в него, не холоднее выходящей больше, чем на 600. Для этого вода из подачи разделяется, и часть её направляется в обратку для её подогрева.
- Чтоб не собирался конденсат. Вода в теплообменнике не должна пройти точку росы. Поэтому она охлаждается.
- Чтобы котёл не перегревался. Достигается аналогичным охлаждением.
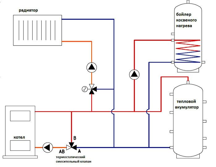
- Совместная работа бойлера с котлом — терморегулятор клапана срабатывает, когда вода в бойлере охлаждается ниже заданного уровня, механизм открывается.
- Если нужен байпас — параллельный путь, то проще всего задействовать клапан.
Регулировка потоков рабочей жидкости. На что обращать внимание при покупке?
Ручная регулировка производится посредством обычного шарового крана. Визуально он очень похож на простой вентиль, но имеет дополнительный выход. Арматура подобного рода применяется для принудительного ручного управления.
Что же касается автоматической регулировки, то здесь применяется специальный трехходовой клапан, оснащенный электромеханическим прибором для изменения положения штока. Его следует подключать к термостату, дабы иметь возможность регулировки температурного режима в помещении.
Помните, что при покупке клапана необходимо в обязательном порядке принимать во внимание технические параметры прибора, к которым относится следующие.
- Диаметр подсоединения к отопительной магистрали. Зачастую данный показатель варьируется в пределах от 2 до 4 сантиметров, хотя многое зависит от особенностей самой системы. Если прибор подходящего диаметра найти не удалось, то придется воспользоваться специальными переходниками.
- Возможность установки сервопривода на трехходовой клапан, принцип работы рассмотрен в начале статьи. Благодаря этому прибор сможет работать на автомате. Данный момент очень важен, если прибор подбирается для эксплуатации в «теплых полах» водяного типа.
- Наконец, это пропускная способность трубопровода. Под этим понятием подразумевается объем жидкости, который сможет пройти через него за определенное время.
Популярные производители
На отечественном рынке присутствует множество изготовителей трехходовых клапанов. Выбор той или иной модели зависит, прежде всего, от:
- вида механизма (а он, напомним, может быть механическим либо электрическим);
- сферы использования (ГВС, ХВС, «теплый пол», отопление).
Самым популярным прибором по праву считается Esbe – шведский клапан от компании, существующей уже более сотни лет. Это надежный, качественный и долговечный продукт, отлично зарекомендовавший себя во многих сферах. Сочетание европейского качества и современных технологий.
Другой популярной моделью является американский Honeywell – истинное детище высоких технологий. Простой управление, удобство и комфорт, компактность и надежность – вот отличительные особенности этих клапанов.
Наконец, относительно «юными», но перспективными приборами являются клапаны линейки Valtec – результат совместного сотрудничества инженеров Италии и России. Все изделия качественны, продаются с гарантийным сроком в семь лет. Отличаются тем, что имеют вполне доступную стоимость.
Как установить смешивающий клапан своими руками
Данная схема установки используется преимущественно в котельных тех отопительных систем, которые подсоединены к гидроразделителю или же к безнапорному коллектору. А насос, расположенный в контуре №2, обеспечивает требуемую циркуляцию рабочей жидкости.
Обратите внимание! Если трехходовой клапан будет подключаться напрямую к источнику тепловой энергии на байпасе, подсоединенному к порту В, то потребуется и монтаж клапана с гидросопротивлением, равным аналогичному сопротивлению этого источника.
Если этого не сделать, то расход рабочей жидкости на отрезке А-В будет колебаться в соответствии с движением штока. Отметим также, что данная схема монтажа предусматривает возможное прекращение циркуляции жидкости через источник, если установка была произведена без циркуляционного насоса либо же гидроразделителя в основном контуре.
Нежелательно подключать клапан к теплосетям или напорному коллектору в отсутствие приборов, которые дросселируют чрезмерный напор. Иначе расход жидкости на участке А-В будет колебаться, причем существенно.
В случае если перегревание обрата допускается, от чрезмерного напора избавляются посредством перемычки, установленной параллельно к подмесу клапана в контуре.
Как установить разделяющий клапан своими руками
Обеспечение количественной регулировки за счет изменения затрат жидкости – вот основная функция, которую выполняет такой трехходовой клапан. Принцип работы его предельно прост и был рассмотрен выше. Он применяется там, где возможен перепуск жидкости на «обратку», а прекращение циркуляции, напротив, не допускается.
Обратите внимание! Эта схема подключения обрела широкую популярность в узлах водо- и воздухонагрева, которые подключены от индивидуальных котелен.
В целях увязки гидроконтуров необходимо, чтобы потери напора потребителя были равны потерям на клапане-балансире в байпасе. Приведенная здесь схема предназначается для установки на те трубопроводы, в которых имеет место чрезмерный напор. Жидкость в данном случае перемещается за счет сильного напора, образованного с помощью циркуляционного насоса.



























